Карбюратор. Регулировка, проблемы, решения.
Модератор: s.c.a.r
-
- Сообщения: 9
- Зарегистрирован: 24 сен 2014, 15:51
- Откуда: Пермь
Re: Карбюратор. Регулировка, проблемы, решения.
Кажись я не один тут ср@ч поднимал! Видите, уважаемый Andy@, я не один Вас не понял с Вашими высокомерными фразами... Ежели не затруднит, ответьте на некоторые вопросы: форум (свободный, открытый форум!) сделан людьми и для людей? Чтобы одни, которые мастера, помогали другим, которые тоже мастера, но в другом? Чтобы мастера своими советами помогали менее опытным юзерам? Так? Так почему же Вы тогда так высокомерны по отношению к простым парням, которые тоже стремятся? Или Вы "выпали" сразу с гаечным ключом и отверткой? Тогда почему форум открытый, вы ведь хотите от нас отгородиться, как от лохов?
И Вы так и не ответили: что же делать, ежели нету, ну нету стабильных хх сновья? Ехать по гарантии по каждой теме - не варик (туда - сюда 300 км, дилер никакой).
И Вы так и не ответили: что же делать, ежели нету, ну нету стабильных хх сновья? Ехать по гарантии по каждой теме - не варик (туда - сюда 300 км, дилер никакой).
- Andy@
- Сообщения: 2202
- Зарегистрирован: 05 фев 2013, 04:20
- Откуда: Москва / 400 GT-R / Андрей
- Контактная информация:
Re: Карбюратор. Регулировка, проблемы, решения.
Чем больше дури между ног, тем меньше её должно быть в голове.
Золотых рук никогда не видно. Они всегда по локоть в грязи.
Понять непонятное, объять необъятное и впихнуть невпихуемое...А нахрена ещё жить...
Золотых рук никогда не видно. Они всегда по локоть в грязи.
Понять непонятное, объять необъятное и впихнуть невпихуемое...А нахрена ещё жить...
- Andy@
- Сообщения: 2202
- Зарегистрирован: 05 фев 2013, 04:20
- Откуда: Москва / 400 GT-R / Андрей
- Контактная информация:
Re: Карбюратор. Регулировка, проблемы, решения.
Настроить систему питания и ( если требуется) систему впуска-выпуска. Всё!Мортал_Инженер писал(а): И Вы так и не ответили: что же делать, ежели нету, ну нету стабильных хх сновья? Ехать по гарантии по каждой теме - не варик (туда - сюда 300 км, дилер никакой).
Если не получается, найти причину, препятствующую необходимой настройке, и устранить её.
Для всего этого необходимы знания и понимание функционирования механизма. Дистанционно такие проблемы решаются редко и случайно.
Чем больше дури между ног, тем меньше её должно быть в голове.
Золотых рук никогда не видно. Они всегда по локоть в грязи.
Понять непонятное, объять необъятное и впихнуть невпихуемое...А нахрена ещё жить...
Золотых рук никогда не видно. Они всегда по локоть в грязи.
Понять непонятное, объять необъятное и впихнуть невпихуемое...А нахрена ещё жить...
Re: Карбюратор. Регулировка, проблемы, решения.
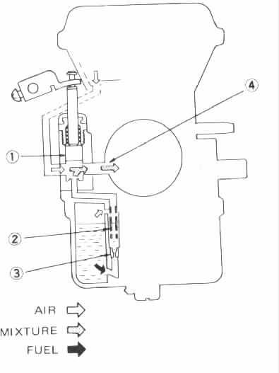
Перебрал, продул, почистил. Обнаружил внешне довольно странное отверстие, не уверен что оно технические. Или это какой-то дефект?
- Dron595
- Сообщения: 1609
- Зарегистрирован: 04 фев 2013, 17:54
- Откуда: Москва/400GTX Adventure /Enduro400 >>Honda Transalp 650/Андрей http://vk.com/id321654006
- Контактная информация:
Re: Карбюратор. Регулировка, проблемы, решения.
По логике это должно быть отверстие перелива.
Если честно
никогда не обращал на это внимания.
При следующий
разборки карба обязательно
заострю на этом. 

Если честно


При следующий



"Глаза боятся а руки делают!"
"Когда руки золотые, то не важно
Откуда они растут"
"Когда руки золотые, то не важно
Откуда они растут"
Re: Карбюратор. Регулировка, проблемы, решения.
Это почти наверняка отверстие забора воздуха в систему обогащения смеси при холодном пуске.mike666 писал(а):Перебрал, продул, почистил. Обнаружил внешне довольно странное отверстие, не уверен что оно технические. Или это какой-то дефект?
Re: Карбюратор. Регулировка, проблемы, решения.
Возможно. Меня больше интересует не дефект ли это? Выглядит как будто просверлено дрелью вручную.tnk писал(а):Это почти наверняка отверстие забора воздуха в систему обогащения смеси при холодном пуске.mike666 писал(а):Перебрал, продул, почистил. Обнаружил внешне довольно странное отверстие, не уверен что оно технические. Или это какой-то дефект?
Re: Карбюратор. Регулировка, проблемы, решения.
Дефект это или нет мы не узнаем наверняка, пока не увидим конструкторскую или технологическую документацию, т.е. никогда.
Могу сказать только, что у меня примерно такое же отверстие примерно в том же месте. Сверловка аккуратная, края раззенкованы. Пока подсос не чудит, про него можно спокойно забыть.
Могу сказать только, что у меня примерно такое же отверстие примерно в том же месте. Сверловка аккуратная, края раззенкованы. Пока подсос не чудит, про него можно спокойно забыть.
- Dron595
- Сообщения: 1609
- Зарегистрирован: 04 фев 2013, 17:54
- Откуда: Москва/400GTX Adventure /Enduro400 >>Honda Transalp 650/Андрей http://vk.com/id321654006
- Контактная информация:
Re: Карбюратор. Регулировка, проблемы, решения.
В понедельник буду делать мотор, тоже гляну 

"Глаза боятся а руки делают!"
"Когда руки золотые, то не важно
Откуда они растут"
"Когда руки золотые, то не важно
Откуда они растут"
Re: Карбюратор. Регулировка, проблемы, решения.
http://maxiscooter.com.ua/shop/product_1172.html
Кто что думает ? Хочу поставить
Кто что думает ? Хочу поставить